
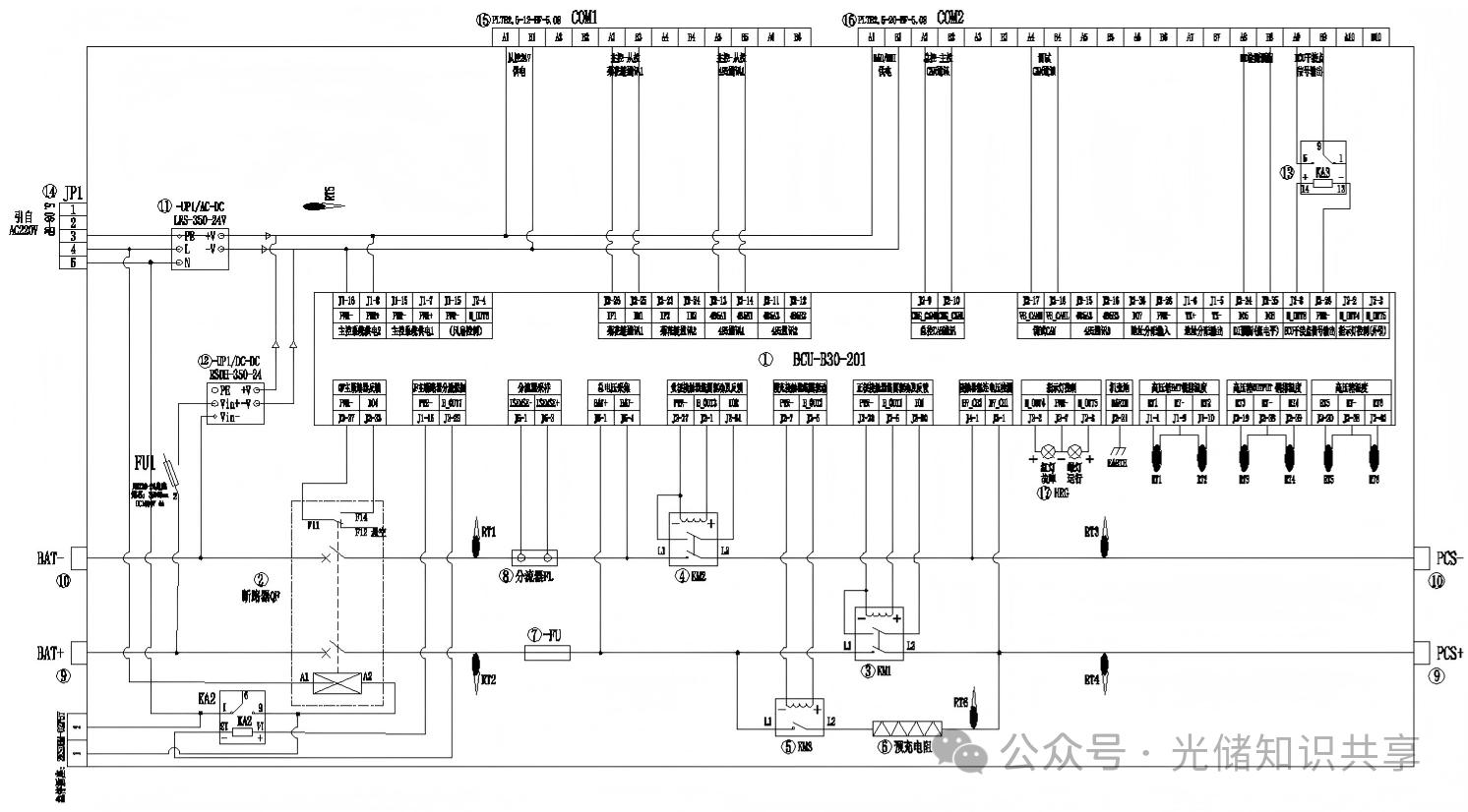
高压箱是储能系统中电池簇的核心控制配电单元,承担着电池簇高压回路的通断控制、电流电压采集、故障保护及信号传输等关键功能,是保障储能系统安全、稳定、高效运行的“中枢枢纽”。其内部元器件布局紧凑、分工明确,各部件协同工作,构成完整的高压配电与控制体系,以下对各核心元器件进行详细介绍。

一、核心控制与监测元器件
1. BCMU(Battery Cluster Management Unit,电池簇管理单元)
BCMU是高压箱的“大脑”,作为核心控制与监测模块,负责统筹整个电池簇高压回路的运行状态管理,是衔接电池簇与上级控制系统(如BAMU、EMU)的关键节点。核心功能包括:
- 实时采集高压箱内各元器件的运行参数(如回路电流、电压、各接触器状态),监测高压回路的绝缘状态、短路、过流等异常情况;
- 接收上级控制系统指令,控制各接触器、断路器的通断动作,实现电池簇的投入与退出;
- 对采集到的参数进行分析处理,若检测到故障,立即触发保护机制(如切断回路、上报故障信号),防止故障扩大;
- 同时具备数据存储与通信功能,可将运行数据、故障信息上传至上级系统,便于运维人员实时监控与排查问题。
BCMU通常集成了微处理器、采集电路、通信接口(如CAN、RS485)及保护逻辑电路,体积小巧、集成度高,安装于高压箱内部干燥、远离强电磁干扰的位置。
2. 分流器
分流器是高压箱内的核心电流采集元器件,本质是一款高精度、低阻值的电阻器,主要用于实时检测电池簇高压回路的充放电电流,为BCMU的监测与保护功能提供精准的数据支撑。
其工作原理基于欧姆定律,当电流通过分流器时,会在其两端产生与电流大小成正比的微弱电压降,BCMU通过采集该电压降信号,结合分流器的固有阻值,计算出回路的实时电流值。
分流器具备测量精度高、温漂小、额定电流大(适配储能电池簇的大电流场景)、损耗低等特点,通常串联在高压主回路中(多与负极铜排、分流器串联连接),安装时需保证接触良好,避免因接触电阻过大影响测量精度,同时需做好绝缘防护,防止高压击穿。
二、高压回路通断控制元器件
1. 正极接触器
正极接触器是控制电池簇高压正极回路通断的核心执行元器件,本质是一种由电磁线圈控制的开关装置,主要作用是接收BCMU的指令,实现高压正极回路的接通与断开,控制电池簇向外部输出电能或接收外部充电电能。
其结构主要包括电磁线圈、动触点、静触点、灭弧装置等,当电磁线圈通电时,产生电磁吸力,带动动触点与静触点闭合,接通正极回路;当电磁线圈断电时,电磁吸力消失,触点在弹簧作用力下断开,切断正极回路。由于工作在高压、大电流场景下,正极接触器具备灭弧能力强、接触电阻小、耐电磨损、可靠性高的特点,可有效避免触点断开时产生的电弧烧毁元器件,保障回路通断的安全性。
2. 负极接触器
负极接触器与正极接触器功能对称,是控制电池簇高压负极回路通断的执行元器件,同样由电磁线圈控制,串联在高压负极主回路中,与正极接触器协同工作,共同实现高压主回路的通断控制。其工作原理、结构与正极接触器一致,区别仅在于安装位置(接入负极回路)和回路极性适配。
在实际运行中,正极接触器与负极接触器通常同步动作,确保高压主回路的同步通断;当系统出现故障时,两者同步断开,快速切断整个高压回路,防止故障蔓延。此外,负极接触器还可配合分流器,实现电流回路的完整闭合,保障电流采集的准确性。
3. 预充电阻
预充电阻是高压箱内的限流元器件,与预充电阻接触器串联组成“预充回路”,核心作用是限制高压主回路接通瞬间的浪涌电流,保护接触器、熔断器、PCS等核心元器件免受冲击损坏。
其本质是一款高功率、耐高温的电阻器,具备阻值稳定、功率损耗小、耐冲击能力强、散热性能好的特点,通常采用陶瓷、合金等耐高温材料制成。在预充阶段,预充电阻串联在高压回路中,利用其自身电阻消耗电能,降低回路电流的上升速度,使负载电容缓慢充电;当预充完成后,预充电阻接触器断开,预充电阻退出回路,避免长期接入主回路造成电能损耗和自身过热。预充电阻的阻值、功率需根据电池簇的额定电压、额定电流精准匹配,确保限流效果与使用寿命。
4. 预充电阻接触器
预充电阻接触器是配合预充电阻实现“预充回路”通断控制的专用接触器,属于辅助执行元器件,主要作用是控制预充电阻的接入与退出,避免高压主回路直接接通时产生的浪涌电流损坏元器件(如接触器触点、PCS模块)。
其结构与正、负极接触器类似,由电磁线圈、触点、灭弧装置组成,但额定电流通常小于正、负极接触器(仅适配预充回路的小电流场景)。当电池簇准备投入运行时,BCMU先控制预充电阻接触器闭合,使预充电阻接入回路,实现对负载(如PCS滤波电容)的缓慢充电,降低浪涌电流;当预充完成、回路电压趋于稳定后,BCMU控制预充电阻接触器断开,同时闭合正、负极接触器,使高压主回路正常接通,完成预充流程。
三、高压回路保护元器件
1. 正极熔断器
正极熔断器是高压正极回路的“第一道保护屏障”,属于一次性保护元器件,核心作用是当高压回路出现严重过流、短路(如正极回路绝缘破损、元器件短路)等故障时,快速熔断自身熔体,切断高压正极回路,防止故障扩大,保护整个电池簇及下游设备的安全。
其结构主要包括熔体、外壳、电极等,熔体采用低熔点合金材料制成,当回路电流超过额定熔断电流时,熔体迅速发热、熔断,实现回路断开。正极熔断器具备熔断速度快、保护精度高、动作可靠的特点,串联在高压正极主回路中,安装时需注意极性正确,且与回路的额定电流、额定电压匹配,避免出现“保护过强”(正常电流下误熔断)或“保护不足”(故障时无法及时熔断)的情况。
2. 断路器
断路器是高压箱内的核心保护与分断元器件,兼具“控制”与“保护”双重功能,主要作用是正常运行时,手动或自动控制高压主回路的通断;当回路出现过流、短路、过载、欠压等故障时,自动跳闸切断回路,保护元器件及系统安全,故障排除后可手动复位,重复使用(区别于一次性的熔断器)。
储能电池簇高压箱内的断路器通常为高压塑壳断路器或空气断路器,具备分断能力强、保护精度高、操作便捷、可靠性高的特点,串联在高压主回路中,其额定电压、额定电流需与电池簇参数精准匹配。此外,断路器还配备操作手柄连杆,便于手动操作分合闸,同时具备辅助触点,可将分合闸状态信号反馈至BCMU,实现状态监测。
四、导电与接线元器件
1. 正极铜排、负极铜排
正极铜排、负极铜排是高压箱内的核心导电部件,相当于“高压导线”,主要作用是连接各高压元器件(如接触器、熔断器、断路器、分流器),传输电池簇的高压、大电流,构成完整的高压主回路。其采用高纯度铜材制成,具备导电性能优良、电阻小、散热性能好、机械强度高的特点,可有效降低电流传输过程中的电能损耗,避免因发热过高影响元器件运行。铜排的截面尺寸需根据回路的额定电流精准设计,电流越大,截面尺寸越大;安装时需进行表面处理(如镀锡、镀银),降低接触电阻,同时做好绝缘固定(采用绝缘支架、绝缘套管),防止与箱体、其他元器件发生短路,正极铜排与负极铜排需分开布置,避免间距过小导致高压击穿。
2. 接线端子排
接线端子排是高压箱内的接线转接元器件,主要作用是实现高压箱内部元器件(如BCMU、接触器、开关电源)与外部设备(如电池簇、PCS、上级控制系统)的线路连接与转接,便于线路的布置、检修与维护。其结构主要包括绝缘基座、导电端子、固定螺栓等,可分为高压端子排与低压端子排(高压端子排用于连接高压回路线路,低压端子排用于连接控制回路、信号回路线路)。
接线端子排具备接触可靠、接线便捷、绝缘性能好、防松动的特点,可根据线路数量、线径大小选择合适的规格,安装时需确保接线牢固,避免因振动导致接线松动、接触不良,同时做好标识,便于区分不同线路的用途(如信号 line、控制 line、电源 line)。
五、辅助供电与操作元器件
1. 开关电源
开关电源是高压箱内的辅助供电元器件,核心作用是将外部输入的交流电源(如220V AC)或直流电源(如电池簇辅助电源)转换为高压箱内部元器件所需的稳定低压直流电源(如24V DC),为BCMU、接触器电磁线圈、操作电源按钮等控制类、执行类元器件提供工作电源。
其具备输出电压稳定、效率高、体积小、抗干扰能力强的特点,可适应不同的输入电压范围,确保内部元器件在复杂工况下稳定工作。开关电源通常安装在高压箱内部低压区域,远离高压元器件,做好绝缘防护,避免高压干扰,同时具备过压、过流、短路保护功能,防止自身故障影响整个控制回路的供电。
2. 操作电源按钮
操作电源按钮是高压箱的辅助操作元器件,主要作用是控制高压箱内部辅助供电回路的通断,为开关电源、BCMU、接触器等元器件提供电源的“总开关”。
其结构主要包括按钮本体、触点、弹簧等,分为常开按钮与常闭按钮(储能高压箱中多采用常开按钮,按下时接通辅助供电回路,松开后保持接通状态,部分具备急停功能的按钮可实现紧急切断辅助电源)。
操作电源按钮安装在高压箱箱体面板上,便于运维人员操作,其额定电压、额定电流需与辅助供电回路匹配,具备操作便捷、接触可靠、防水防尘的特点,同时具备状态指示功能(如LED灯),可直观显示辅助供电回路的通断状态。
3. 断路器操作手柄连杆
断路器操作手柄连杆是配合断路器实现手动分合闸操作的辅助机械部件,核心作用是延长操作距离、改变操作方向,便于运维人员在高压箱外部或指定位置手动操作断路器的分合闸,避免直接接触高压元器件,保障操作安全。
其结构主要包括连杆本体、连接接头、固定支架等,采用高强度金属材料制成,具备机械强度高、传动灵活、防松动的特点,连杆的长度与角度可根据高压箱的内部布局、断路器的安装位置精准设计,确保操作顺畅,分合闸到位。操作时,运维人员通过转动或推动操作手柄,带动连杆传动,进而控制断路器的动触点与静触点闭合或断开,同时连杆可配合限位装置,防止误操作(如带负荷分合闸)。
六、元器件协同工作逻辑
储能电池簇高压箱内的所有元器件协同工作,构成完整的高压配电与保护体系:
- 当电池簇准备投入运行时,运维人员按下操作电源按钮,开关电源启动,为BCMU、各接触器提供工作电源;
- BCMU自检完成后,先控制预充电阻接触器闭合,预充电阻接入回路,对负载进行预充;
- 当预充完成、回路电压稳定后,BCMU控制预充电阻接触器断开,同时闭合正极接触器、负极接触器,高压主回路接通,电池簇开始正常充放电;
- 运行过程中,分流器实时采集回路电流,反馈至BCMU,BCMU监测各元器件状态,若检测到过流、短路等故障,立即触发保护机制,控制正、负极接触器断开,同时断路器自动跳闸,切断高压回路,正极熔断器作为后备保护,在故障严重时熔断,进一步保障安全;
- 运维人员可通过断路器操作手柄连杆手动操作断路器分合闸,通过接线端子排实现线路的检修与转接。
碳索储能网 https://cn.solarbe.com/news/20260224/50018588.html


下一篇


















