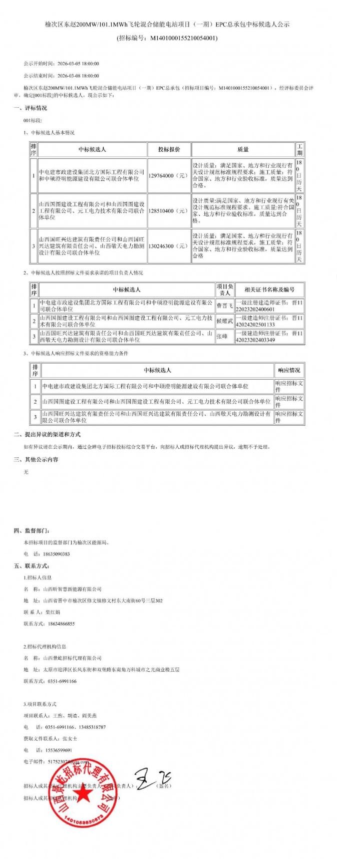
3月5日,榆次区东赵200MW/101.1MWh飞轮混合储能电站项目(一期)EPC总承包中标候选人公示。
第一中标候选人为中电建市政建设集团北方国际工程有限公司和中硕澄明能源建设有限公司联合体单位,投标报价为129764000元;第二中标候选人为山西国图建设工程有限公司和山西国图建设工程有限公司、元工电力技术有限公司联合体单位,投标报价为128510400元;第三中标候选人为山西国旺兴达建筑有限责任公司和山西国旺。兴达建筑有限责任公司、山西敬天电力勘测设计有限公司联合体单位,投标报价为130246300元。
榆次区东赵200MW/101.1MWh飞轮混合储能电站项目(一期)EPC总承包,本项目一期内容包括建设50MW/100MWh锂电池储能电站,配套1座220kV升压站,用地面积约30亩,新建1回220kV送出线路接入榆次开发区储能电站,并对该站220kV出线间隔扩建。 储能及220kV升压站:主要建设50MW/100MWh磷酸铁锂储能系统、1台50MVA主变,1台SVG,电气一二次预制舱、GIS设备、1台35kV站用变,1回10kV备用电源,综合楼、附属用房、危废间等。 220kV送出线路及对侧间隔改造:主要建设1回220kV送出线路,导线截面为2×400mm²,全线单回路架设,线路总长度约4km。对侧站进线架构、对侧进线侧GIS,避雷器、安全自动化及继电保护装置等。
原公告如下:

碳索储能网 https://cn.solarbe.com/news/20260306/50019305.html


下一篇



















