重庆市能源局下发<<关于有序推动重庆市绿电直连发展有关事项的通知(征求意见稿)>>。主要内容概要如下:
一、适用范围
本市范围内风电、太阳能发电、生物质发电等新能源不直接接入公共电网,通过直连线路向单一电力用户供给绿电的模式,可实现供给电量清晰物理溯源。按照负荷是否接入公共电网分为并网型和离网型。直连电源为分布式光伏的,按照<<分布式光伏发电开发建设管理办法>><<重庆市分布式光伏发电开发建设管理实施细则>>等文件执行。在国家出台相关政策前,暂不开展直连线路向多用户供电项目。
二、项目类型
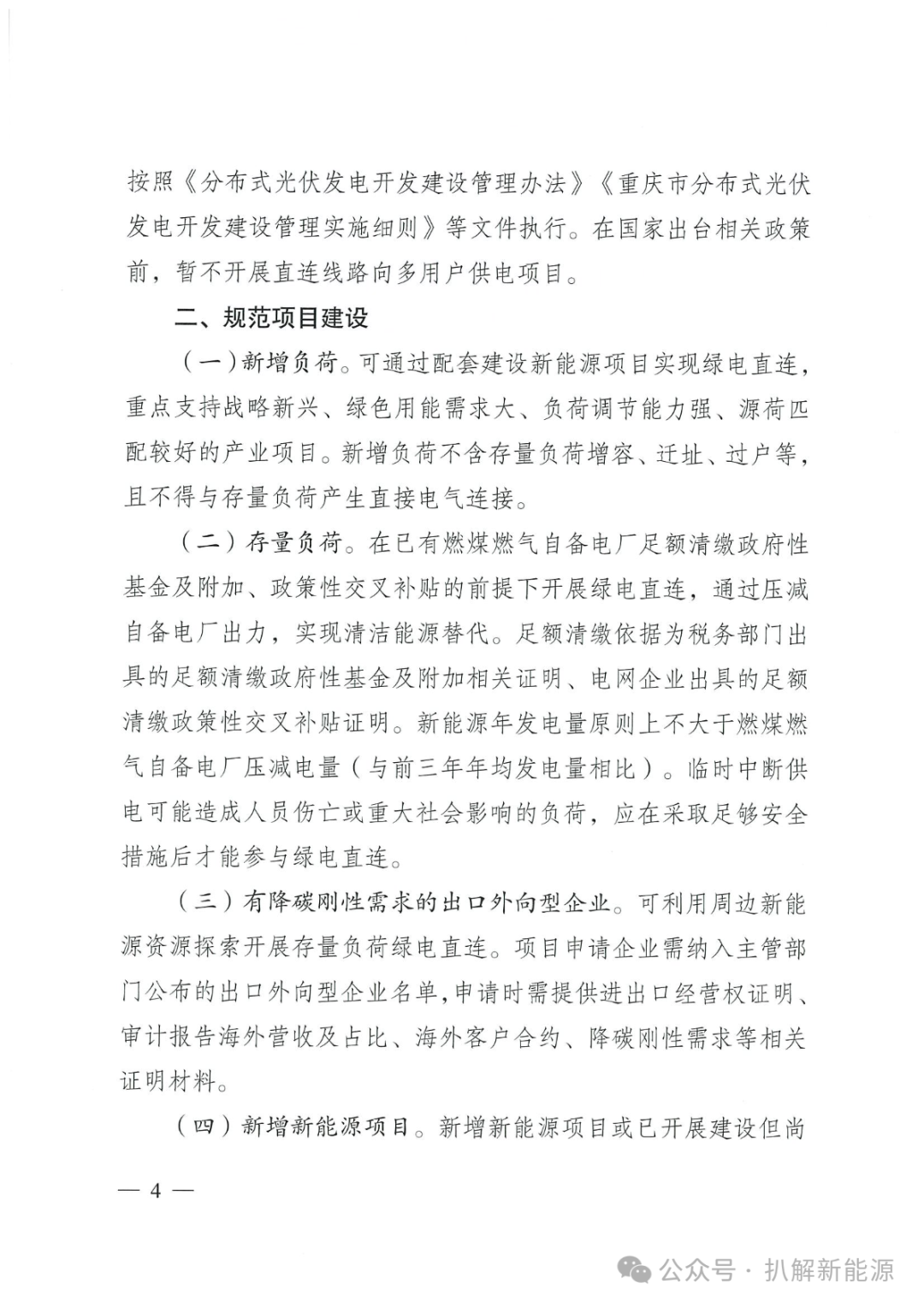
(一)新增负荷。可通过配套建设新能源项目实现绿电直连,重点支持战略新兴、绿色用能需求大、负荷调节能力强、源荷匹配较好的产业项目。新增负荷不含存量负荷增容、迁址、过户等,且不得与存量负荷产生直接电气连接。
(二)存量负荷。在已有燃煤燃气自备电厂足额清缴政府性基金及附加、政策性交叉补贴的前提下开展绿电直连,通过压减自备电厂出力,实现清洁能源替代。新能源年发电量原则上不大于燃煤燃气自备电厂压减电量(与前三年年均发电量相比)。
(三)有降碳刚性需求的出口外向型企业。可利用周边新能源资源探索开展存量负荷绿电直连。项目申请企业需纳入主管部门公布的出口外向型企业名单,申请时需提供进出口经营权证明、审计报告海外营收及占比、海外客户合约、降碳刚性需求等相关证明材料。
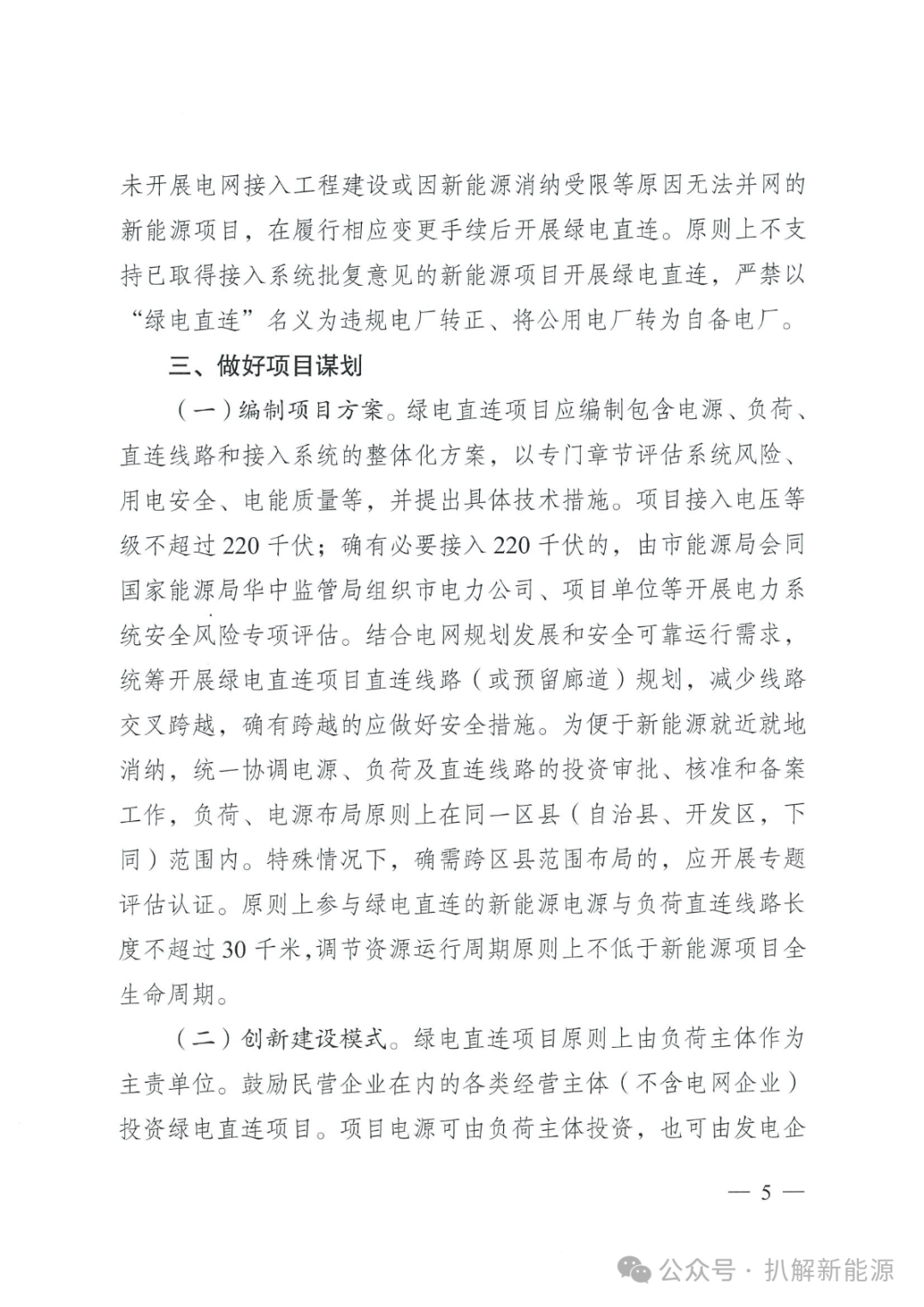
(四)新增新能源项目。新增新能源项目或已开展建设但尚未开展电网接入工程建设或因新能源消纳受限等原因无法并网的新能源项目,在履行相应变更手续后开展绿电直连。原则上不支持已取得接入系统批复意见的新能源项目开展绿电直连,严禁以"绿电直连"名义为违规电厂转正、将公用电厂转为自备电厂。
三、接入电压等级
项目接入电压等级不超过220千伏;确有必要接入220千伏的,由市能源局会同国家能源局华中监管局组织市电力公司、项目单位等开展电力系统安全风险专项评估。
四、源荷匹配
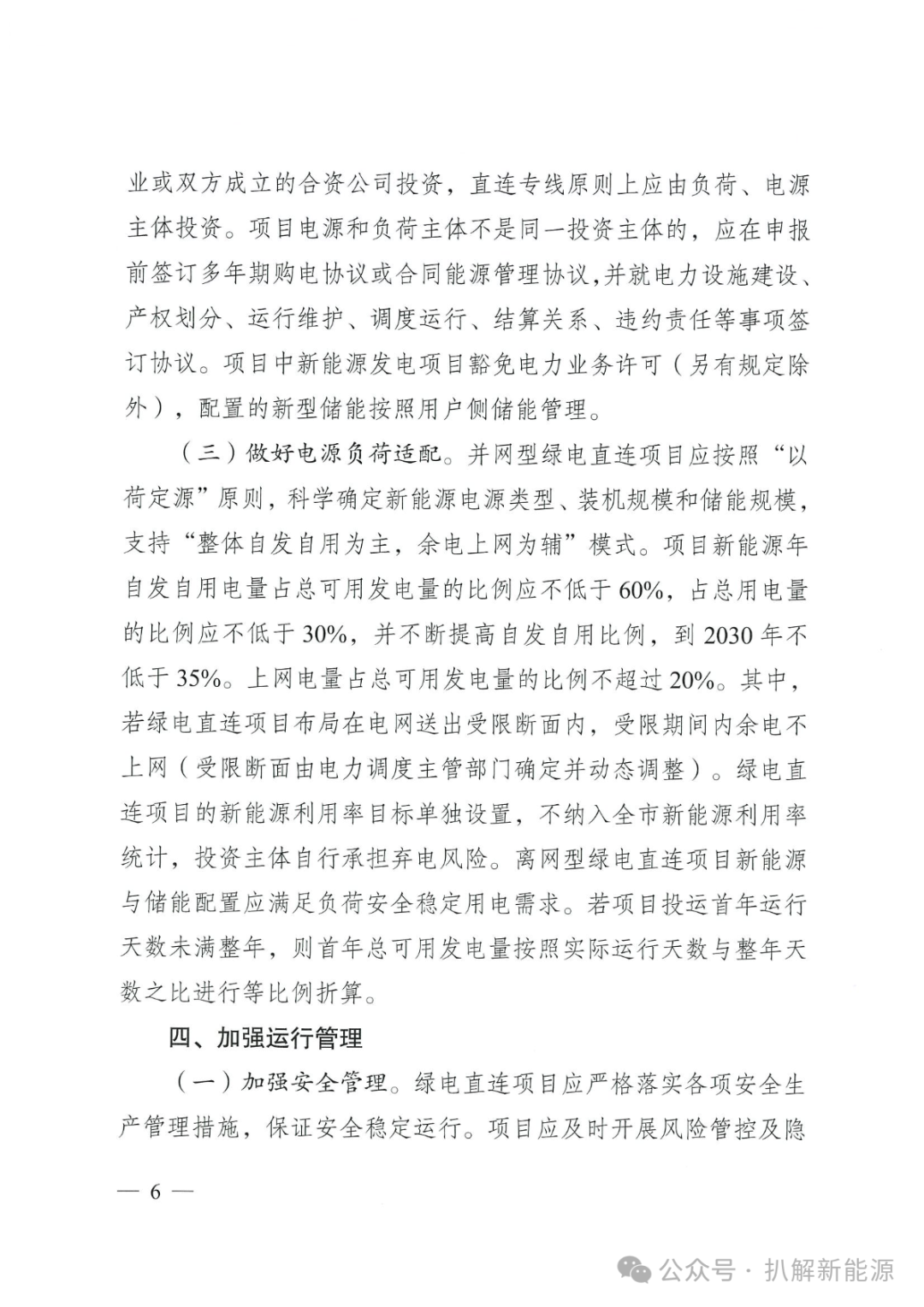
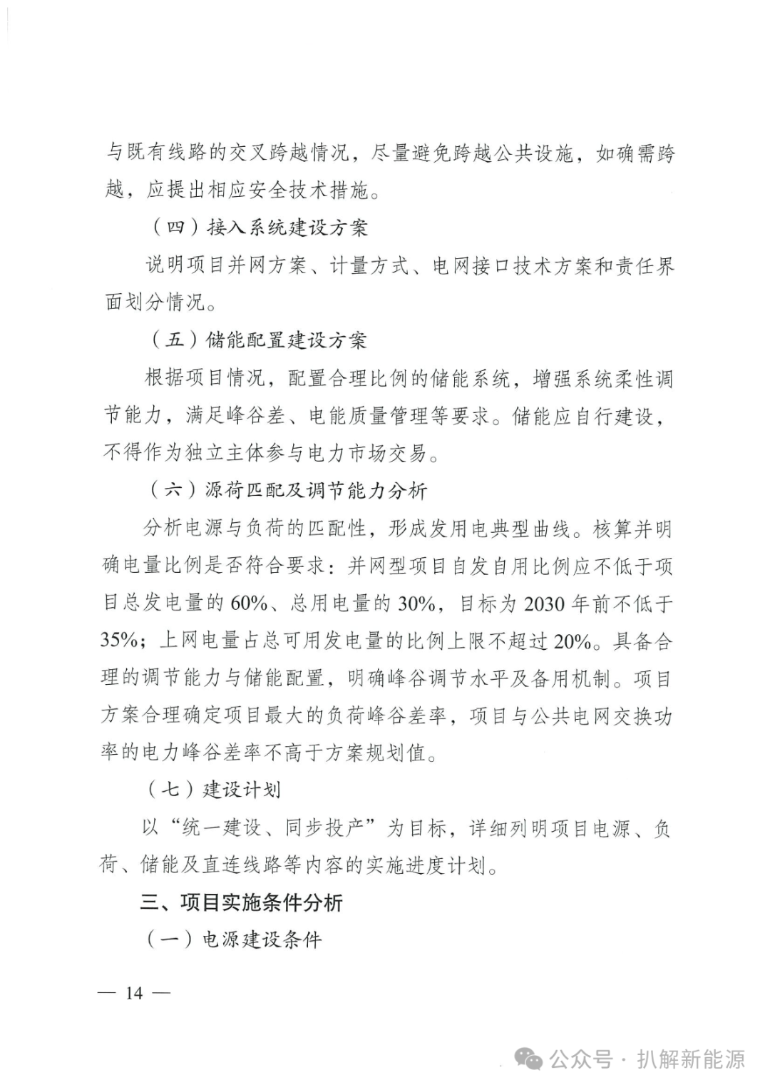
并网型绿电直连项目应按照"以荷定源"原则,科学确定新能源电源类型、装机规模和储能规模,支持"整体自发自用为主,余电上网为辅"模式。项目新能源年自发自用电量占总可用发电量的比例应不低于60%,占总用电量的比例应不低于30%,并不断提高自发自用比例,到2030年不低于35%。上网电量占总可用发电量的比例不超过20%。
五、费用缴纳
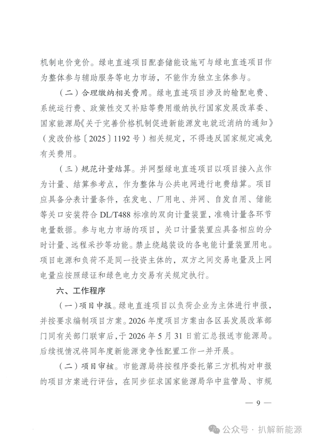
绿电直连项目涉及的输配电费、系统运行费、政策性交叉补贴等费用缴纳执行国家发展改革委、国家能源局<<关于完善价格机制促进新能源发电就近消纳的通知>>(发改价格[2025]1192号)相关规定,不得违反国家规定减免有关费用。
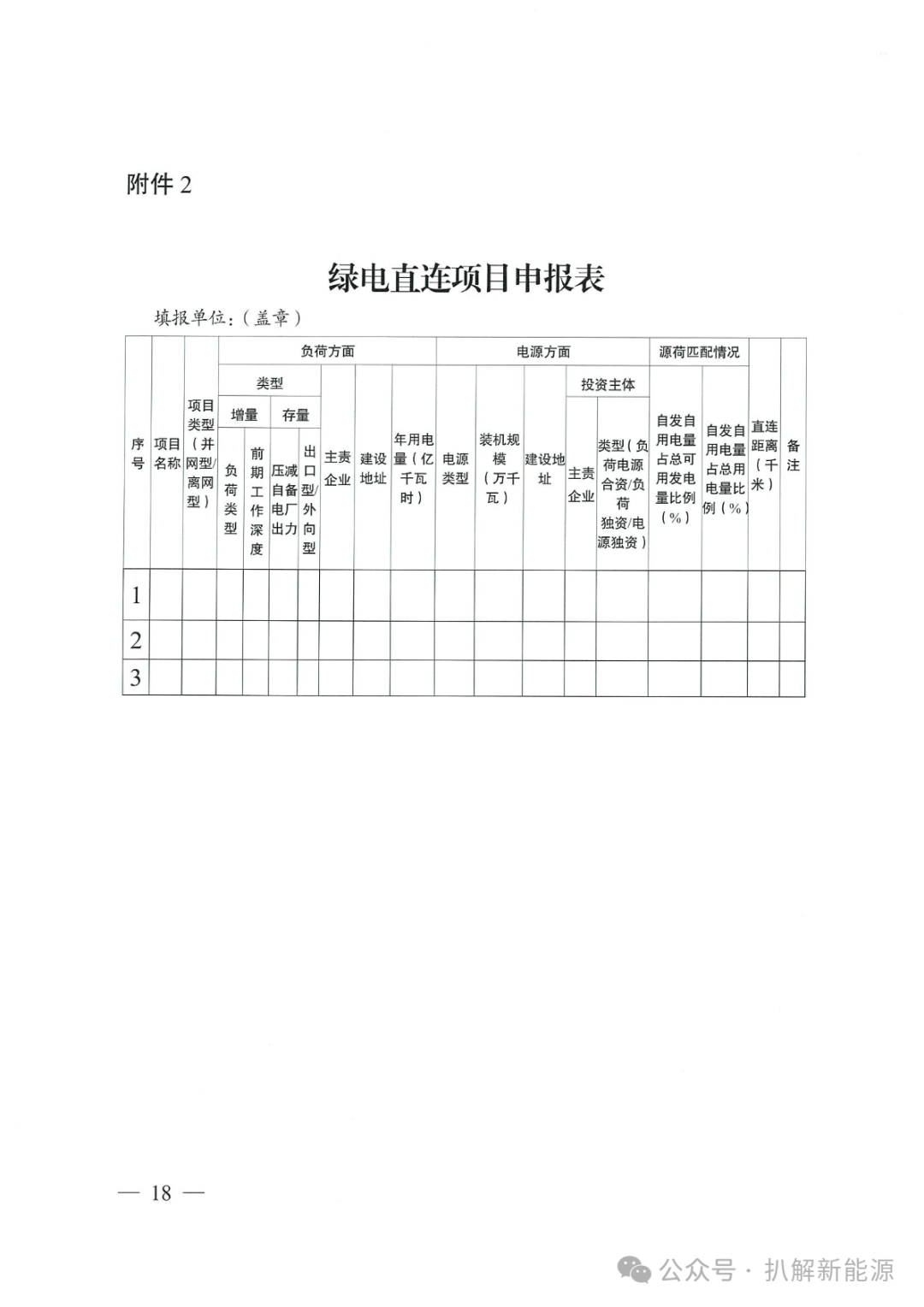
六、项目申报
(一)项目申报时间:2026年度项目方案由各区县发展改革部门同有关部门联审后,于2026年5月31日前汇总报送市能源局。后续视情况将同年度新能源竞争性配置工作一并开展。
(二)项目审核。市能源局将按程序委托第三方机构对申报的项目方案进行评估,在同步征求国家能源局华中监管局、市规划自然资源和林业部门、有关电网企业意见基础上,印发年度绿电直连项目建设方案。
(三)项目建设。列入年度绿电直连项目建设方案的集中式风电、光伏、新型储能、生物质发电项目同步纳入市级年度新能源开发建设方案和全市电力发展专项规划,按照<<重庆市企业投资项目核准和备案管理办法(修订)>>开展项目核准(备案);直连线路、接入系统同步纳入全市电力发展专项规划,由区县发展改革部门按程序核准。绿电直连项目的电源、负荷、储能等应按照整体实施方案同步建设、同步投产。
(四)退出机制。绿电直连项目业主自行承担受市场行情变化、产业政策调整等因素带来的经济风险。运行期内绿电直连负荷减少或中断的,绿电直连项目业主应重新引入新负荷,对1年时间内无法完成等量新负荷补充的,应及时报送市能源局。市能源局根据项目整体实施方案以及负荷、调峰能力变动情况确定直供新能源退出规模比例;绿电直连项目业主应在3个月内完成直供新能源退出规模解列,解列部分的直供新能源原则上不接入公共电网。
文件全文及附件:


















碳索储能网 https://cn.solarbe.com/news/20260119/50017183.html


下一篇



















